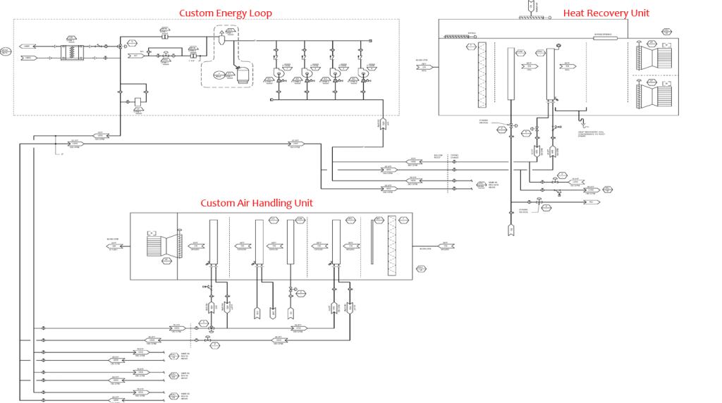
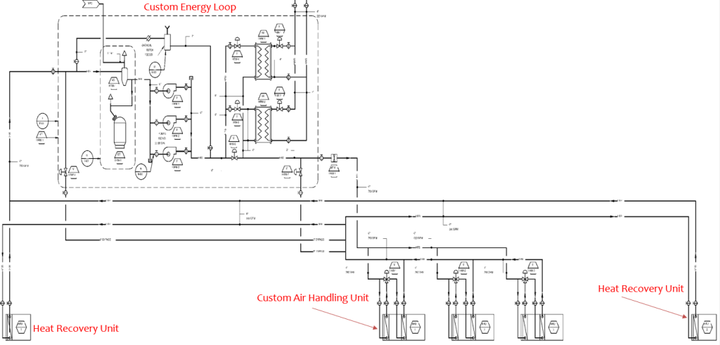
Experience the tailored solution your facility deserves with Custom Energy Loop,
delivering unparalleled energy efficiency and cost savings.
High Performance Glycol Energy Recovery System
At Custom Energy Loop, we partner with Building Owners, Design Engineers, and Installing Contractors to provide top-tier glycol energy recovery loops.
Our CEL Systems achieve performance comparable to Enthalpy Wheels, but without their expensive upkeep or the complexities of dual tunnel air handlers, ensuring substantial energy savings for our clients.
Custom Coils – Precision Built. Performance Proven.
- Engineered for Performance – Pre-Heat, Pre-Cool, Reheat, and Energy Recovery coils designed for tight approach temperatures between air and water.
- Tailored Efficiency – Available in up to 4 FPI with Flat, V-waffle, or Sine-wave fins, plus flat or rippled edges to fine-tune airflow and performance.
- Built to Last – Crafted with 5/8″ OD copper tubing, .049″ return bends, and premium materials.
- Custom Coatings – 15,000-hour salt spray coatings for unmatched durability in harsh environments.
- Reliability Guaranteed – Every coil is pressure tested to 500 PSI with nitrogen to ensure leak-free performance.
- Fast Turnaround – Stay on schedule with Quick Ship options that deliver custom solutions without the wait.
Pump Control Module
- Pump Package is designed and built for each specific application.
- Designed & assembled on site as a one-piece package to allow significant reduction in the amount of field piping
- Includes Glycol fill with pump, primary and redundant loop pumps, full PLC with custom sequence of operations to control valves at supplemental HXs and coils in exhaust and supply air streams
UL Control Panel
- Fully automated to maximize your winter and summer energy recovery system.
- Stand-alone but also sends performance data, alarms, and custom output information to Building Automation System.
- 22″ touch screen HMI.
- 20+ years of Historical Energy Recovery Data.
- Remote Monitoring and Adjustment service options are available.
How We Measure Up
Discover the remarkable advantages of our Custom Energy Loop system
95
%
fulfillment of your AHUs' preheat and reheat needs
40
%
reduction in cooling load
Featured Projects

Higher Education Science Building
Higher Education Science Building

School of Medicine
School of Medicine

University Laboratory Building
University Laboratory Building




















